Temat: [Fusion - Mondeo USA] Które piny we FCIM ? - fotele wentylowane.
View Single Post
Stary 30-08-2019, 14:31   #10
zenq
ford::specialist
 
Avatar zenq
 
Zarejestrowany: 06-01-2013
Skąd: Lubartów
Model: escort cabrio
Silnik: 2.0 n7a @ 2.3 y7b
Rocznik: 1991
Postów: 801
Domyślnie Odp: Które piny we FCIM ? - fotele wentylowane.

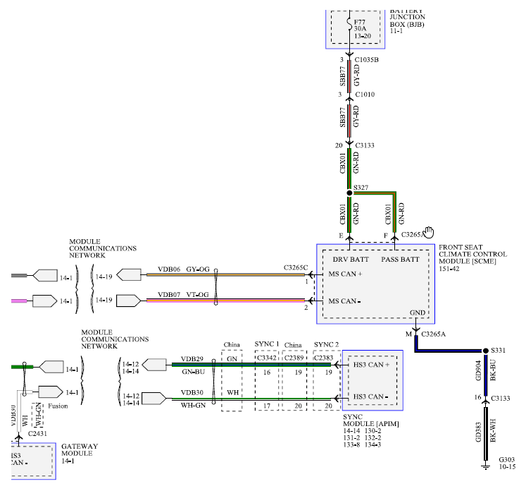
tak na szybko

https://images92.fotosik.pl/240/ad360ce16a4b1074.png
https://images92.fotosik.pl/240/4a30fd3a7715e60f.png
https://images89.fotosik.pl/240/b04f7c2f2b199de0.png

Ostatnio edytowane przez zenq ; 30-08-2019 o 14:37
zenq jest offline   Odpowiedź z Cytatem